Čelisti pro svěrák TLD-40 - (2 ks)

Čelisti pro svěrák TLD-40 - (2 ks)

3 509 Kč
cena s DPH
2 900 Kč
cena bez DPH
KÓD PRODUKTU Z.KS.SA.TLD4401
EAN 4250001094751
VÝROBCE Kemmler
DOSTUPNOST Na dotaz

PŘÍSLUŠENSTVÍ

INFORMACE O PRODUKTU

Výměnné hladké čelisti:

- Náhradní výměnné originální čelisti 
- Pro svěráky KEMMLER typu: TLD-40
- Balení obsahuje 2ks čelistí

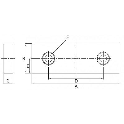
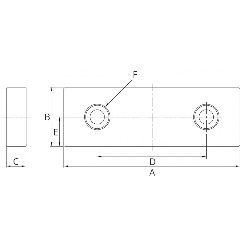
PARAMETRY
Čelisti pro svěrák TLD-40 - (2 ks)
Typ hladké čelisti
Hmotnost 1,6 kg
Obsah balení 2 ks
Šířka čelisti (A) 102 mm
Výška čelisti (B) 38 mm
Tloušťka čelisti (C) 15 mm
Rozteč připojení (D) 63,5 mm
Výška připojení (E) 17,5 mm
Otvory připojení (F) 3/8 x 16UNC
Pro typy TLD-40