Čelisti pro svěrák für AVC-200 / AVM-200 (2ks)

Čelisti pro svěrák für AVC-200 / AVM-200 (2ks)

3 422 Kč
cena s DPH
2 828 Kč
cena bez DPH
KÓD PRODUKTU Z.KS.SA.AVC8401
EAN 4250001094669
VÝROBCE Kemmler
DOSTUPNOST Na dotaz

PŘÍSLUŠENSTVÍ

INFORMACE O PRODUKTU

Výměnné hladké čelisti:

- Náhradní výměnné originální čelisti 
- Pro svěráky KEMMLER typu: AVC-200 / AVM-200
- Balení obsahuje 2ks čelistí

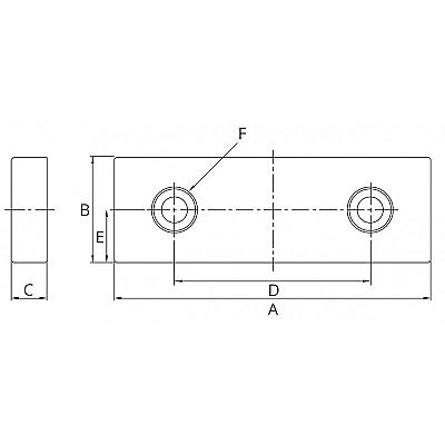
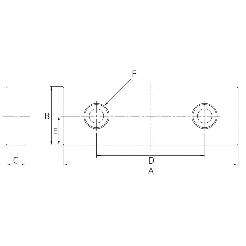
PARAMETRY
Čelisti pro svěrák für AVC-200 / AVM-200 (2ks)
Typ hladké čelisti
Hmotnost 3,3 kg
Obsah balení 2 ks
Šířka čelisti (A) 200 mm
Výška čelisti (B) 63 mm
Tloušťka čelisti (C) 18 mm
Rozteč připojení (D) 120 mm
Výška připojení (E) 28 mm
Otvory připojení (F) M12 x 1,75P
Pro typy AVC-200 / AVM-200