Čelisti pro svěrák MP-60 / HP-60 (2ks)

Čelisti pro svěrák MP-60 / HP-60 (2ks)

3 309 Kč
cena s DPH
2 735 Kč
cena bez DPH
KÓD PRODUKTU Z.KS.SA.HP603
EAN 4250001094737
VÝROBCE Kemmler
DOSTUPNOST On request

PŘÍSLUŠENSTVÍ

INFORMACE O PRODUKTU
PARAMETRY
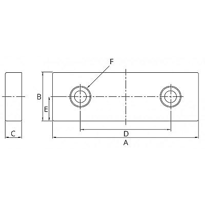
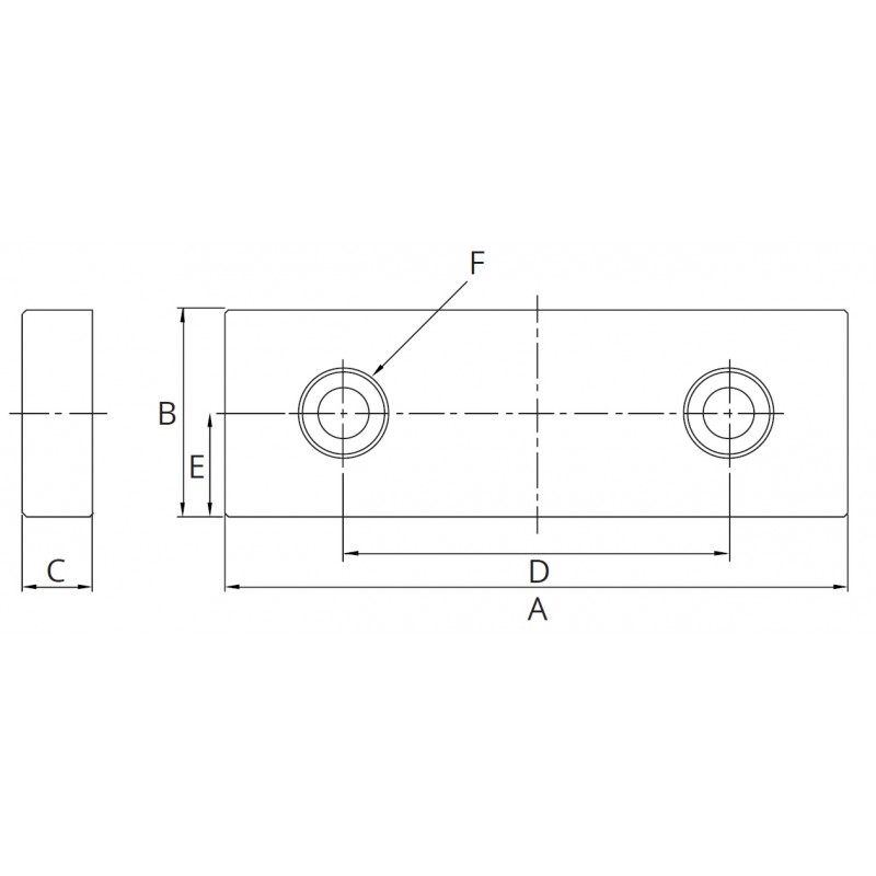
Čelisti pro svěrák MP-60 / HP-60 (2ks)
Typ hladké čelisti
Hmotnost 2,1 kg
Obsah balení 2 ks
Šířka čelisti (A) 154 mm
Výška čelisti (B) 54 mm
Tloušťka čelisti (C) 17 mm
Rozteč připojení (D) 100 mm
Výška připojení (E) 18 mm
Otvory připojení (F) 3/8 - 16 UNC
Pro typy MP-60 / HP-60