Radiální poháněná hlava VDI40/ER32, DIN 1809, EWS

Radiální poháněná hlava VDI40/ER32, DIN 1809, EWS

0 Kč
basket.price_w_vat
0 Kč
basket.price_wo_vat
KÓD PRODUKTU 60.40321809RLPIN56X100
EAN
VÝROBCE EWS
DOSTUPNOST On request

PŘÍSLUŠENSTVÍ

INFORMACE O PRODUKTU
PARAMETRY
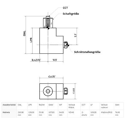
Radiální poháněná hlava VDI40/ER32, DIN 1809, EWS
Typ radiální poháněný držák
Systém pohonu DIN 1809
Max. točivý moment (TQX) 50,00
Max. rychlost, vstup (RPMX) 6000 ot./min
Převodový poměr (TR) 1:1
Velikost hřídele VDI 40
Rozhraní kleština ER32
Systém chlazení vnější
Vyčnívající délka držáku (LPR) 138
Vyčnívající délka ke středu nástroje (LF) 100
Hmotnost 6,494 kg