Axiální poháněná hlava VDI40/ER32, DIN 1809, s vnitřním chl. HPC-Line, EWS

Axiální poháněná hlava VDI40/ER32, DIN 1809, s vnitřním chl. HPC-Line, EWS

0 Kč
basket.price_w_vat
0 Kč
basket.price_wo_vat
KÓD PRODUKTU 40.40321809IKCIM
EAN
VÝROBCE EWS
DOSTUPNOST On request

PŘÍSLUŠENSTVÍ

INFORMACE O PRODUKTU
PARAMETRY
Axiální poháněná hlava VDI40/ER32, DIN 1809, s vnitřním chl. HPC-Line, EWS
Typ axiální poháněný držák
Systém pohonu DIN 1809
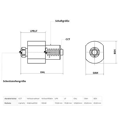
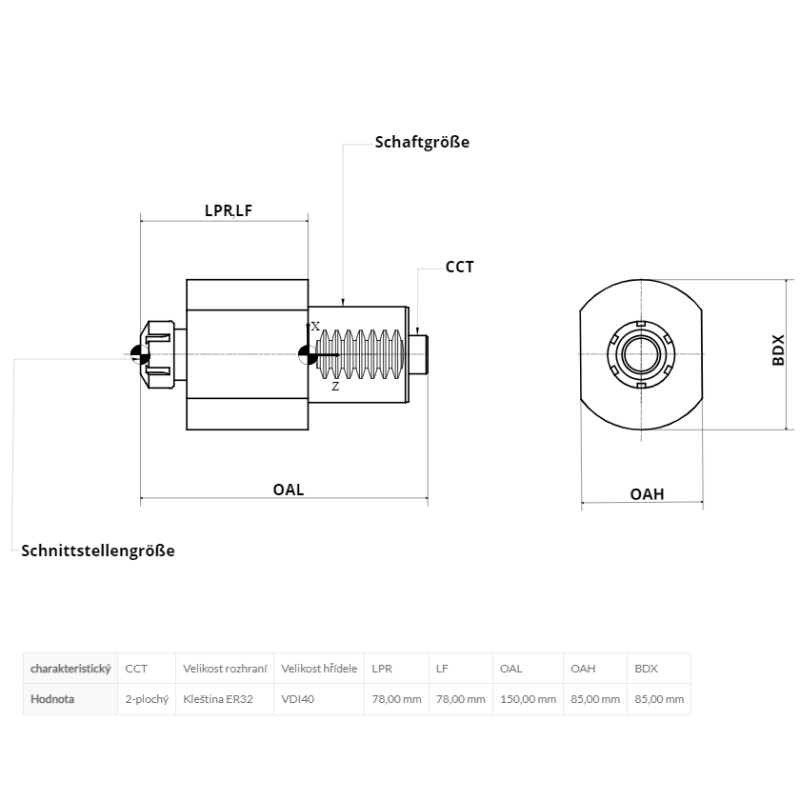
Max. točivý moment (TQX) 63,00
Max. rychlost, vstup (RPMX) 6000 ot./min
Převodový poměr (TR) 1:1
Velikost hřídele VDI 40
Rozhraní kleština ER32
Systém chlazení vnitřní + vnější (přepínatelné)
Hmotnost 3,552 kg
Celkový průměr těla (BDX) 85
Celková délka vyložení (LPR,LF) 78