Axiální poháněná hlava VDI16/ER16, DIN 867, EWS

Axiální poháněná hlava VDI16/ER16, DIN 867, EWS

0 Kč
basket.price_w_vat
0 Kč
basket.price_wo_vat
KÓD PRODUKTU 40.16165480Z
EAN
VÝROBCE EWS
DOSTUPNOST On request

PŘÍSLUŠENSTVÍ

INFORMACE O PRODUKTU
PARAMETRY
Axiální poháněná hlava VDI16/ER16, DIN 867, EWS
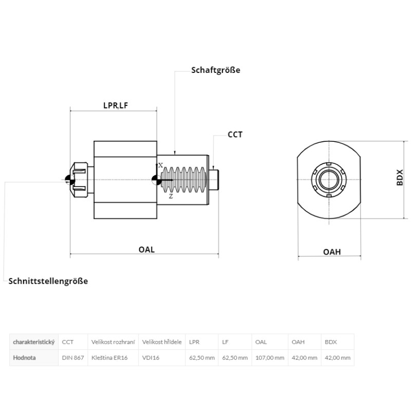
Typ axiální poháněný držák
Systém pohonu DIN 5480, spojka DIN 867
Max. točivý moment (TQX) 6,30
Max. rychlost, vstup (RPMX) 8000 ot./min
Převodový poměr (TR) 1:1
Velikost hřídele VDI 16
Rozhraní kleština ER16 (160 426E)
Systém chlazení vnější
Hmotnost 0,578 kg
Celkový průměr těla (BDX) 42
Celková délka vyložení (LPR) 62,5